Home
/
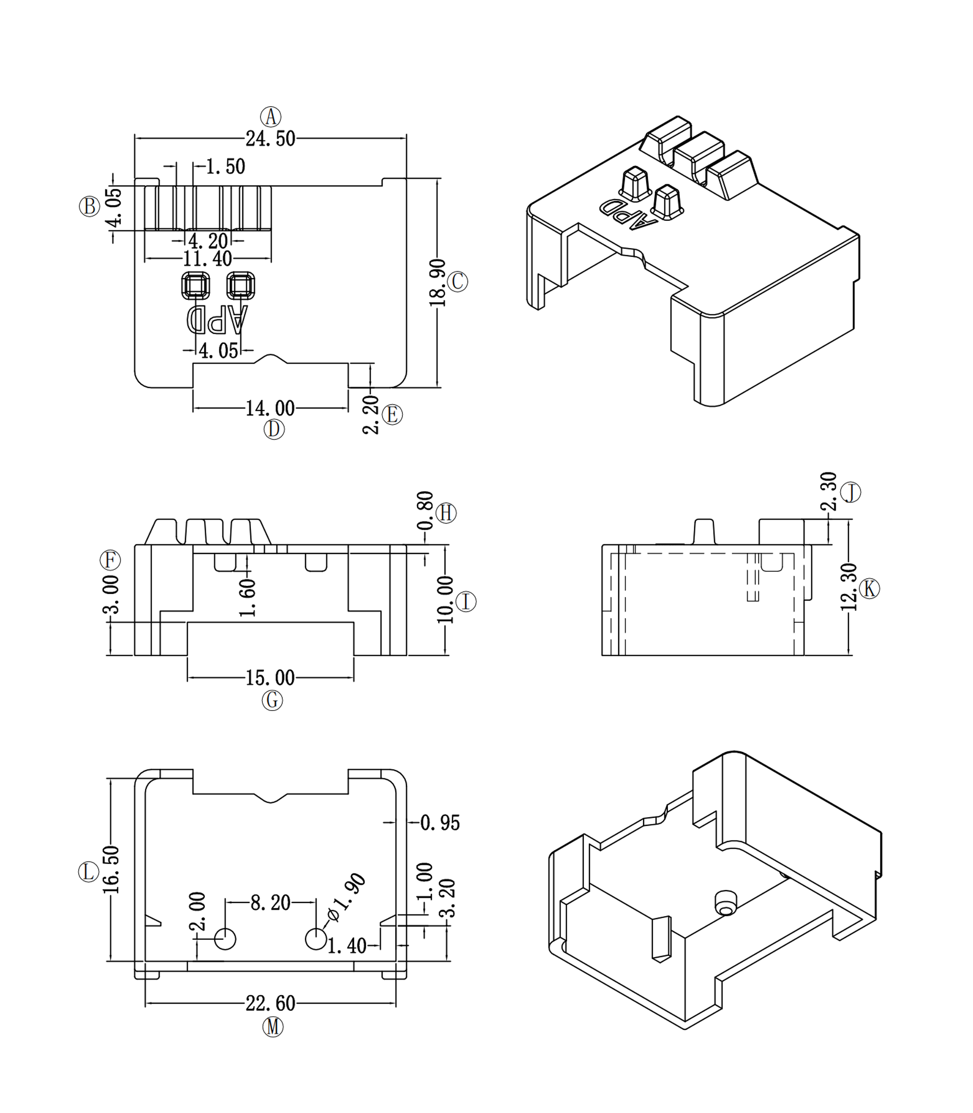
LP-2228-1(Shell)
LP-2228-1(Shell)
Customize your products in every detail, we provide customized service for you. If you have any requirements on the shape, dimensions, function, or other aspects of your products, or if you have any new creative products to be developed, you can contact our team and we will work out the most cost-effective production plan for you.
Quantity
-
Detail

-
Customer ReviewsNo comments